POTENCIÔMETRO 23MM C/ CHAVE
Tempo de leitura < 1 minuto
Aplicação:
Estes potenciômetros são utilizados para linhas de montagens de produtos diversificados, também para assistência técnica.
Para informações mais detalhadas, vide PDF e/ou nos consulte.
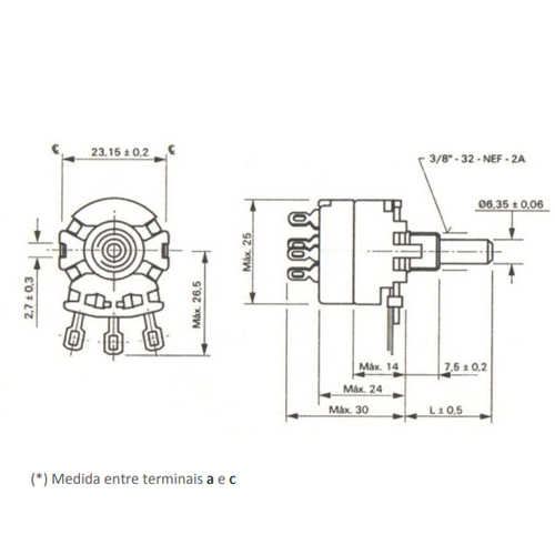
INFORMAÇÕES TÉCNICAS
Tempo de leitura < 1 minuto
| Tipo | Linear/Log |
| Resistência | 100Ω á 4,7MΩ |
| Potência máxima | 40°C: 0,25W /70° 0,125W |
| Tensão Max. Suportada | Sob consulta |
| Diâmetro da Base | 23mm |
| Diametro do Eixo | 6,35mm |
| Alt.da base á ponta do eixo | 40mmm |








Avaliações
Não há avaliações ainda.